Как сделать высококачественный усилитель звука для наушников своими руками
Сегодня найти в розничной торговле нужный усилитель, удовлетворяющий все ваши требования очень непросто, да и стоимость его будет приличная. Намного дешевле будет сделать усилитель для наушников своими руками, а мы постараемся подробно рассказать обо всех необходимых этапах работ.
В интернете можно найти множество разнообразных предложений, но мы остановились на самой простой и действенной схеме усилителя на основе TDA 2003.
Собранный портативный усилитель для наушников работает по классу A, а коэффициент усиления у него около 18 единиц — такая мощность удовлетворит самого привередливого меломана.
На некоторых форумах в интернете продвинутые радиолюбители весьма положительно отзываются об этом чипе и представленной схеме, поэтому после сборки в вашем активе окажется весьма качественный усилитель для наушников.
Звуковой ряд, по заверению тех, кто уже сделал для себя лично аналогичное изделие, достоин похвал: даже низкие тембры передаются в полном объеме без искажений — отдельно собирать УНЧ (усилитель низких частот) нет необходимости.
Такая схема выглядит просто, но в эксплуатации, по заверению специалистов, она весьма привередливая — все зависит от основных параметров выбранных вами резисторов и конденсаторов.
Размеры ее тоже громоздкие — как правило, все радиолюбители используют простую двухкаскадную конструкцию на двух транзисторах.
Часто используемые — это КТ 315 или им подобные, из таких устройств можно делать все, что угодно, и усилитель звука для наушников, в том числе.
- необходима подборка точного напряжения питания для коллектора, базы и эмиттера:
- к базе должны подходить два типа напряжений: отрицательное и положительное по отдельным линиям с установкой сопротивления
- для обеспечения номинального напряжения нужно специально подбирать резисторы.
Эта конструкция привередлива и к питанию — нужно не менее 5 V для ее стабильной работы.
Двухкаскадная конструкция на двух транзисторах
При использовании аналогичных изделий можно получить следующие характеристики: напряжение питания будет в интервале 1,8—15 вольт, при этом выходная мощность — до 1,5 Вт. Вся конструкция свободно помещается на сравнительно небольшой плате с габаритами 100х150 мм.
После выполнения всех работ по сборке усилителя для наушников, при желании, некоторые пользователи подключают небольшие колонки от стационарного компьютера.
Перед тем, как сделать усилитель для наушников, необходимо обойти несколько магазинов, торгующих радиодеталями, и приобрести:
- основная микросхема — tda 2822
- резистор переменного типа: с постоянным номиналом 4,7 ком — 2 ед. и один на 10 ком
- конденсаторы 10 мкф — 2 шт.
- неполярные конденсаторы пленочного типа с емкостью 100нф — 3 шт.
- два гнезда для подключения — диаметр 3,5 мм
- элементы питания
- фольгированный материал определенного размера
- подходящий по габаритам корпус.
Размечаем будущее положение деталей на плате, предварительно распечатав на принтере рисунок по специальной технологии, о которой поговорим ниже.
Положение деталей на плате
Печатное изделие — главное, если вы хотите сделать высококачественный усилитель. Только при ее наличии ваше изделие будет работать стабильно. Сделать ее в домашних условиях можно без проблем, если знать тонкости ЛУТ технологии — это перенос рисунка стандартной платы при помощи лазерного принтера и обыкновенного утюга.
Для осуществления задуманного воспользуемся программой Sprint-Layout 6.0 — русская версия, она имеет в активе около 4,6 тысячи макросов. Ее отличительные черты:
- все справочные данные на русском языке
- надписи на плате можно делать кириллицей
- идеально подходит для оперативной системы windows 7
- интерфейс программы изменен для начинающих пользователей
- работать можно с любого компьютерного устройства, сохраняется на флешке, не оставляет следов в любой системе.
Изображение распечатывают только на глянцевую бумагу, можно использовать различные буклеты, которые раздают в переходах метро и торговых комплексах.
Некоторые радиолюбители используют тонкую глянцевую фотобумагу — в этом случае отпечаток получается более качественный.
Печатать необходимо на максимуме, тогда копия будет качественная — весь рисунок должен четко просматриваться. После этого накладываем его на обезжиренную плату и проглаживаем утюгом, выставленным на третью позицию мощности, несколько минут. Для фотобумаги хватит полминуты.
Затем надо произвести травление — для этого используем раствор хлорного железа, считающийся специалистами оптимальным вариантом. При помощи ацетона очищаем медные дорожки от оставшейся краски и начинаем их лужение. Чтобы все получилось хорошо, лучше использовать сплав Розе, который изобрел германский химик — поэтому он и назван его фамилией.
Состав сплава: олово и свинец по 25%, а остальной объем занимает висмут — пары его чрезвычайно ядовиты, поэтому весь процесс нужно проводить в хорошо проветриваемом помещении.
Несколько гранул этого сплава опускаем в приготовленную емкость с водой (обязательно с плоским и ровным дном) и ждем полного их расплавления. Потом кладем пластину рисунком вниз и водим ею по днищу с расплавленными гранулами. Мягкой губкой удаляем разводы и лишние наплывы на дорожках.
Чтобы ничего не перепутать, с обратной стороны наносим по такой же технологии монтажную схему. После просверливания необходимых отверстий в плате, начинаем монтаж всех деталей. На фотографии готовая плата с деталями установлена в подготовленный корпус.
На торцевые панели, прежде чем крепить их на корпусе, необходимо нанести разметку — для этого можно использовать программу Фотошоп, где несложно нарисовать любую композицию, где будут названия гнезд и все нужные обозначения.
Затем делаем распечатку рисунков при помощи принтера на тонкую с глянцевой поверхностью фотобумагу, которую наклеиваем на панели с уже проделанными технологическими отверстиями и обработанные ацетоном для обезжиривания.
Клей используем столярный.
Панели необходимо положить под мощный пресс массой около 20 кг на 24 часа, чтобы качество склеивания было идеальное. Затем ламинируем поверхность панелей специальной термической пленкой, используя домашний утюг и лист чистой бумаги.
Осталось только установить на корпус крышку и боковые панели — и усилитель готов для эксплуатации.
Проверка изделия показала, что усиление звучания отменное: звук довольно чистый, а если прослушивать качественные записи, то его можно даже охарактеризовать как хрустальный, что для самопального устройства весьма неплохо. Слышны все инструменты, басы отличные без дребезжания, а величина громкости такая, что можно оглохнуть.
Теперь по стоимости: все расходы на приобретение деталей и материалов при подсчете оказались не более одной тысячи рублей, а самый дешевый усилитель заводского исполнения стоит от 2,5 тыс. р., не говоря уже об отличного качества изделиях, чья стоимость исчисляется несколькими десятками тысяч рублей.
Делаем высококачественный усилитель для наушников
Купил простенькие уши, чтоб по ночам можно было гаматься и иногда слушать музыку, взял недорогие, но большие KOSS UR20. Подключив к ресиверу был несколько ошарашен, звук очень и очень приятный, джаз и классика просто на ура идут. По НЧ конечно сильно проигрывают затычкам Koss the plug, и ощутимо KOSS Porta Pro, которые уже какой год таскаю как портативные.
Был очень удивлен после когда решил послушать Koss Porta Pro после прослушивания композиций на KOSS UR20 — с порта про как будто в уши ваты натолкали. А я ведь считал их очень «приличными» в плане звука. Хотя может это время и атмосфера их могла так попортить? Все это к чему? Да так, решил собрать усилок для ушей, Усилок будет домашний, не портативный ни разу.
Решил для начала собрать клон Lehmann Audio Black Cube Linear
Вот результат:
Все вместе заняло около 3 вечеров и меньше 1000 р денег.
Кому интересно добро пожаловать под кат, будет очень много фоток с подробным описанием.
Схема и конструкция
Сама схема достаточно простая: усилитель класса А, ООС выходные каскады не охвачены, ООС охвачен только ОУ. В интернете схема ищется легко.
Усилитель
Питание
Размышлял как сделать печатку, нашел на каком то польском форуме сканированную печатную плату
и обвел её в любимом Sprint Layout
Вот что получилось
Правда её я чуть перерисовал, ибо нашел пару ошибок и изменил размеры под свои размеры деталей. Дальше получилось, то что в магазине фольгированный текстолит есть только размера 10х15, а плата была больше, пришлось опять перерисовать и уменьшить её общие размеры.
Изготовление печатной платы
ЛУТ или Лазерно-Утюжная Технология наше все ) В качестве материала переноса давно использую глянцевые журналы, главное, чтобы на листах журнала не было много темных областей и заливок.
Распечатываем 2 стороны.
После этого самое веселое — надо как то их совместить. Я делал ЛУТ сразу с обоих сторон, приложил кусок стекстолита в листы и аккуратно их завернул, дальше утюгом хорошо прогладил сначала одну потом другую сторону.
В принципе получилось неплохо, одна сторона убежала на несколько десятых миллиметра.
После проглаживания надо плату поместить в воду и размокшую бумагу очень осторожно снять, я делаю это подушечками пальцев под водой, вот так
после отмывания от бумаги получается такая плата
Внимательно её изучаем на наличие косяков, если они есть корректируем скальпелем линейкой и маркером. Если все хорошо кидаем плату в ванночку с раствором хлорного железа (рецептура приготовления есть на банке). Главное в этом деле помешивать раствор и регулярно переворачивать плату для равномерного травления.
втыкаю зубочистки, чтобы исключить касание платы ребер ванны для травления.
После травления надо хорошо промыть плату от раствора
Тонер, с готовой платы, смывается ацетоном.
Для удобства сборки люблю наносить обозначения элементов
Дальше сверлятся все отверстия, с использованием движка с цанговым патроном
Нижнюю часть платы облудил используя оплетку с флюсом и небольшим количеством припоя.
Все следующие фотки в основном с еще не отмытой от флюса платой.
Сборка
В первую очередь собираем цепи питания, справа любимые бокорезы с победитовыми накладками.
и проверяем их. Питание с первого раза не запустилось, оказалось что LM337 напрочькитайскийперепил и просто не работает. Поэтому первая проверка усилителя на кухне ночью была от 2 лабораторных источников (нижний кстати тоже самодельный).
Проверка показала, что радиатор обязателен. Плата пока выглядит так.
Взял из запасов старый радиатор от материнки насверлил
Нарезал, снял фаски
Слюда и КПТ, радиатор на месте. Схема потребляет около 150 мА по каждому плечу питания. Напомню усилитель класса А.
Трансформатор взял готовый со старого списанного венгерского усилителя.
Тестовые прослушивания делал на следующих ушах ТДС-5М и 3 пары KOSS ))) все среднячок.
Корпус
Большая часть самодельных конструкций умирает так и не обретя корпус. Тут я превзошел свою лень и решился на подвиг — законченный корпус для данного усилителя. В качестве донора был взят корпус CD-ROM. Процес сверления дырок и установку стоек для платы не заснял, не было фотоаппарата под рукой. Получилась такая неказистая конструкция.
Лицевая панель полный шлак, не красиво в общем.
Их старых запасов поднимаем листовой алюминий и вырезаем накладку по размеру лицевой панели CDROM
Долго не думая прикрутил эту панель двумя винтами, выбрал самые симпатичные ))))
Сверлим и примеряем, уже стало лучше.
Покраска и оформление
Корпус решил сделать черным матовым (просто баллончик матовой черной краски остался изготовления самодельного бюджетного саба для кино).
Для покраски снял все из корпуса и покрыл все краской из аэрозольного баллона, далее была скучная просушка и сборка. Лицевую панель прошкурил и обезжирив нанес ЛУТом надписи
Собранная плата в корпусе
Пришлось поменять емкости по питанию перед стабилизаторами с 4700 на 10 000 около OPA2134 c 470 на 4700 мкФ, так как был небольшой гул, который можно было услышать ночью в полной тишине. Также добавил радиаторы на интегральные стабилизаторы, так как температурный режим их в закрытом корпусе не самый лучший.
Итог
Затраты деталей суммарно не превысили 1000 р. Оригинал стоит около 40 000 р. На качество оригинала не претендую, но и не считаю что получившийся усилитель плохим. Играет он очень хорошо. Приличные уши обещали дать для сравнения. Источник Asus Xonar D1. Самое дорогое это конденсаторы.
Транзисторы подобраны по коэффициенту передачи комплиментарными парами и они одинаковы в обоих каналах. Перебрал несколько пакетов с ними в радиомагазине. На выходе усилителя постоянное напряжение не превышает 5 мВ. Все сопротивления подобраны с точностью менее 1% или даже лучше.
Входные конденсаторы K73-17+ слюдяные.
Регулятор громкости не самый дорогой но и не самый дешевый alpha.
Источник: Хабрахабр
Усилитель для наушников своими руками
ILYA 27-05-2018, 23:36 3 885 Электроника / Kit-наборы
Привет всем любителям самоделок. Все мы любим послушать музыку в наушниках, так как не всегда есть возможность включить ее в колонках, особенно в позднее время суток или в общественном транспорте.
Но не всегда само качество звучания бывает достаточно хорошим, одним из признаков этого является встроенный усилитель в устройстве воспроизведения, будь то телефон или же компьютер, ноутбук. В данной статье я расскажу, как сделать усилитель для наушников своими руками, в сборке которого поможет кит-набор, заказать его можно будет по ссылке в конце статьи.
Перед тем, как прочитать статью, предлагаю посмотреть видео, в котором подробно показан весь процесс сборки и проверка усилителя в работе.
Для того, чтобы сделать усилитель для наушников своими руками, понадобится:
* Паяльник, флюс, припой
* Приспособление для пайки “третья рука”
* Бокорезы* Растворитель 646 или бензин “калоша”* Блок питания с выходным напряжением 12 В* Наушники, телефон или иное устройство воспроизведения
Шаг первый.
Данный кит-набор поставляется с двухсторонней печатной платой, ее качество весьма хорошее и имеет металлизированные отверстия. Также для удобства сборки предусмотрена инструкция, где показана схема усилителя и номиналы компонентов для правильной установки на плате.
Первым делом устанавливаем на плату резисторы, их номиналы определять не нужно, так как они подписаны на бумажке, приклеенной на них.
После чего вставляем неполярные керамические конденсаторы, а затем полярные электролитические конденсаторы, соблюдая номинал и полярность, плюсом является длинный вывод, а минусом контакт напротив белой полоски на корпусе, на плате минусовой контакт обозначен заштрихованным полукругом.
Для индикации работы усилителя на плате предусмотрено место под светодиод красного цвета, длинную ножку устанавливаем в место, обозначенное треугольником, а минус-короткую ножку в отверстие с полоской рядом.
Шаг второй.
Для того, чтобы радиодетали не выпали при пайке загинаем их выводы с обратной стороны платы.
Далее закрепляем плату в приспособлении для пайки “третья рука” и наносим флюс на контакты, после чего припаиваем выводы при помощи паяльника и припоя. Удаляем излишки выводов при помощи бокорезов. При удалении выводов бокорезами будьте аккуратны, так как можно нечаянно удалить дорожку с платы.
Затем устанавливаем остальные компоненты, а именно переменный резистор, гнездо подключения питания, две панельки под микросхемы, ориентируясь по ключу на корпусе и плате в виде выемки, а также гнезда для подключения входа и выхода звука.
Припаиваем компоненты, для лучшей пайки наносим флюс.
Также удаляем лишнюю часть выводов бокорезами.После пайки получается такая плата.Удаляем остатки флюса с платы при помощи щетки и растворителя 646 или бензина “калоша”. Вот так выглядит чистая плата.
Шаг третий.Теперь устанавливаем в специальные панельки микросхемы согласно ключу на корпусе и плате.
Далее переходим к сборке корпуса, сначала примеряем его на плате и удаляем защитные пленки с частей корпуса. К нижней части прикручиваем стойки с резьбой в четыре отверстия при помощи крестовой отвертки.
Далее устанавливаем на стойки плату с боковой панелью с отверстиями под гнезда подключения.После этого собираем остальные части и прикручиваем верхнюю крышку при помощи винтов.
На этом усилитель для наушников можно считать готовым, осталось его протестировать.
Шаг четвертый.
Для полноценной работы усилителя требуется питание 12 В. В гнездо подключаем блок питания через штекер и вставляем штекер 3.5 мм Jack с двух сторон, один идет в телефон, другой в усилитель, в гнездо с надписью OUT вставляем штекер от наушников и наслаждаемся качественным звучанием.
Регулирование громкости осуществляется поворотом ручки переменного резистора.На этом у меня все, данный кит-набор будет полезен тем, кто хочет усилить звук в своих наушниках, если родного предусилителя устройства не хватает, а также даст немного опыта в сборке радиоконструкторов.
Всем спасибо за внимание и творческих успехов.
Купить Kit-набор на Aliexpress
Становитесь автором сайта, публикуйте собственные статьи, описания самоделок с оплатой за текст. Подробнее здесь.
Идея
Описание
Исполнение
Итоговая оценка: 8.67
Усилитель для наушников своими руками
Наверно многие из вас сталкивались с такой проблемой, когда подключив свои наушники к MP3 плееру или телефону, громкость была недостаточной, иными словами мощности плеера или телефона не хватало для того чтобы обеспечить громкий, чистый звук. И как же быть в этом случае?
Для этого можно собрать усилитель для наушников своими руками. Его схема довольна проста и любой радиолюбитель, неважно, начинающий или опытный сможет сделать его, проявив аккуратность и внимательность.
При создании этого усилителя мне хотелось сделать его необычным, хотелось уйти в сторону от классического пластикового корпуса. Вспомнив что любители моддинга компьютеров часто делают прозрачные корпуса для своих ПК я тоже решил сделать корпус своего усилителя прозрачным. А в качестве изюминки — отказаться от печатной платы и сделать все навесным монтажом.
Разработка схемы велась в программе Eagle. Это классический усилитель на сдвоенном операционнике OPA2107.
Ниже приведена схема усилителя для наушников своими руками:
Список необходимых деталей для блока питания усилителя:
- Разъем питания;
- Светодиод 5 мм (любого цвета);
- R1LED — резистор номиналом от 1К до 10К (1 Вт);
- CP1, CP2 — электролиты 470 мкФ (на напряжение 35 или 50 Вольт);
- RP1, RP2 — 4,7К (1 Вт);
Список деталей для усилителя:
- IC1 — сдвоенный операционный усилитель OPA2107;(примечание — на принципиальной схеме операционный усилитель обозначен как OPA2132, дело в том что вначале я планировал использовать его);
- C1L, C1R — 0.68 мкФ 63 В (для входного аудио сигнала);
- C2, C3 — 0,1 мкФ (пленочные, для стабилизации операционного усилителя);
- R2L, R2R — 100К (0,5 Вт);
- R3L, R3R — 1К (0,5 Вт);
- R4L, R4R — 10К (0,5 Вт);
- R5L, R5R — перемычка (не обязательно);
- Стерео джек — 2 шт;
Принципиальная схема в формате PDF (16 Кб).
Так как я решил сделать все навесным монтажом, то я приступил к изготовлению каркаса. Здесь вам понадобятся аккуратность и внимательность, т.к. корпус будет прозрачным и любые недочеты сразу же будут видны.
Для шины питания я использовал одножильный медный провод, 1 мм толщиной, взятый из обрезков кабеля которые использовались для домашней электропроводки.
В качестве блока питания отлично подойдет любой трансформаторный блок питания с напряжением 12 Вольт и выходным током от 300 мА. Желательно использовать трансформаторный БП, так как использование импульсных может привести к наводкам (будет слышен постоянный гул в наушниках).
Для разъема питания я использовал вот такой разъем: (центральный контакт это плюс питания).
Для того чтобы формировать одинаковые выводы резисторов и проводов я использовал обычную отвертку. Вы можете использовать разные диаметры для больших или меньших радиусов.
Немного ниже вы можете увидеть разводку блока питания. На входе у блока питания 12 Вольт, которые затем с помощью делителя напряжения (резисторов RP1 и RP2, по 4.7 кОм) превращаются в +6 Вольт и −6 Вольт.
Дело в том, что для операционного усилителя необходимо двухполярное питание.
Провод в центре — это так называемая «виртуальная земля», которая ни в коем случае не должна соединятся с настоящей землей (на разъеме питания).
Два больших конденсатора на 470 мкФ 50 Вольт в паре с конденсаторами по 0,1 мкФ необходимы для того, чтобы уменьшить наводки на ОУ и повысить стабильность его работы. Для этого нужно постараться расположить их как можно ближе к выводам ОУ.
Вот еще несколько фотографий с разных ракурсов, на которых видно как я выполнил монтаж.
После того, как вы закончили пайку можно приступить к проверке усилителя. Небольшой совет, для проверки не нужно использовать свои самые классные наушники, достаточно каких-то простых. Дело в том, что если Вы где-то запутались и припаяли детали не по схеме, то вполне возможен такой вариант при котором вы испортите свои наушники. Но надеюсь что при проверке у вас все будет хорошо.
Так как усилитель в дальнейшем будет заливаться эпоксидной смолой, то я решил немного приподнять его, чтобы при заливке он оказался точно по центру корпуса. Для этого я припаял небольшие выводы снизу.
Я подумал что было бы неплохо еще чуть-чуть облагородить дизайн усилителя и поэтому решил распечатать наклейки на аудио разъемы. Я подготовил их в Adobe Photoshop, затем распечатал на тонкой фотобумаге и приклеил к разъемам на двусторонний скотч.
В течении некоторого времени я размышлял над дизайном корпуса и материалом из которого будет сделана форма для заливки. Я остановил свой выбор на 1,5 мм пластике, он отлично режется обычным канцелярским ножом, оставляя при этом очень ровный край.
Затем я разработал форму для заливки, используя все тот-же Eagle. Вырезав все части я приступил к сборке. Для того чтобы облегчить эту процедуру я сначала прихватил все углы с помощью суперклея, затем 2 раза проклеил каждый шов, что обеспечило полную герметичность.
Чертеж формы для заливки (PDF, 10 Кб);
Самый простой способ узнать объем эпоксидной смолы для заливки это залить форму водой, а затем вылить содержимое в чашку и узнать получившийся объем и вес. Конечно, можно измерить объем с помощью линейки — но способ с водой показался мне проще.
Для заливки я использовал прозрачную эпоксидную смолу. Конкретно для этой смолы соотношение отвердителя и смолы должно быть 1 : 50. Было довольно сложно отмерить такое малое количество отвердителя, для этого пригодились ювелирные весы. А вообще же, для разных марок эпоксидных смол соотношение отвердителя и смолы различается, смотрите инструкцию.
Смешанную смолу необходимо медленно вливать по стенке формы, для того чтобы избежать появления пузырьков. На картинке ниже видно что при заливке смолы я налил немного больше чем требуется, смола при этом не выливается благодаря поверхностному натяжению. Это нужно потому что эпоксидная смола при затвердевании немного уменьшается в размерах.
При затвердевании эпоксидной смолы происходит обильное выделение тепла (в моем случае температура была 62 градуса). Затем форма накрывается, для того чтобы предотвратить попадание пыли и мусора на поверхность.
Я оставил затвердевать эпоксидную смолу на сутки. По прошествии этого времени она высохла и я приступил к снятию формы. Для этого я использовал ленточную шлифмашину.
Затем с помощью фрезера я сточил фаски и все острые углы.
Для полировки корпуса я сначала использовал наждачную бумагу с зернистостью 600, а окончательную полировку проводил «на мокрую» 1200-й мелкозернистой наждачкой.
Ну и напоследок вот еще несколько фотографий готового усилителя для наушников своими руками:
Теперь вы знаете, как сделать усилитель для наушников своими руками.
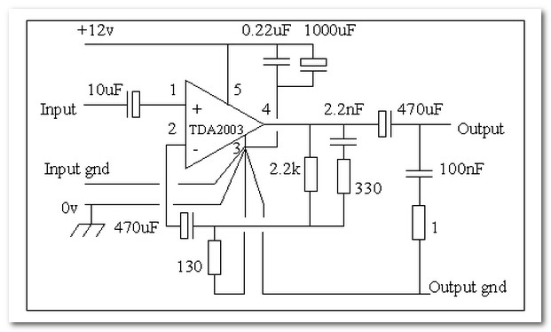
Высококачественный усилитель для наушников на микросхеме TDA2003
Конкурс начинающих радиолюбителей
“Моя радиолюбительская конструкция”
Схема простого высококачественного усилителя для наушников на микросхеме своими руками
Конкурсная конструкция начинающего радиолюбителя
“Высококачественный усилитель для наушников на микросхеме TDA2003″
Здравствуйте уважаемые друзья и гости сайта!
Представляю вашему вниманию пятую конкурсную работу начинающего радиолюбителя.
Автор конструкции: Морозас Игорь Анатольевич:
Здравствуйте радиолюбители!
Предлагаю Вам посмотреть мою вторую конструкцию –это высококачественный усилитель для наушников на микросхеме TDA2003.
Схема усилителя взята из интернета. По этой схеме есть целый форум. Большинство радиолюбителей отозвались по ней положительно. Радиолюбитель из Европы даже произвел замеры, которые подтверждают, что усилитель работает в классе А. Коэффициент усиление =18. Этой мощности мне кажется сверх достаточно любому меломану. Вот и я решил проверить это на себе.
Вот основная схема одного канала с блоком питания:
Вот дословно перевожу текст об этом усилителе от Европейского радиолюбителя:
«Это очень простая схема основана на чипе TDA 2003, и дает отличную производительность, равную самых лучших коммерческих проектах стоимостью сотни фунтов.
Паспорт производителя для TDA2003 дает искажений фигуру 0,15% на выходе 4,5 Вт, и коэффициент усиления по напряжению 100, но в этом приложении коэффициент усиления по напряжению был сокращен до 18 за счет увеличения общей питание назад соотношение, и выходная мощность снижается приблизительно 10 мВт.
Как следствие, коэффициент гармонических искажений сводится к 0,006%, очень низкий показатель действительно. Прибыль была установлена на этом уровне, чтобы удовлетворить мои наушники Sennheiser HD25SP, с усилителем изгнаны из номинальной источника 200 мВ.
10k горшок журнал может быть использован в качестве регулятора громкости в случае необходимости. Блок питания может быть увеличена до 18v, позволяя более высокую выходную мощность на том же уровне искажений. Это может быть уместным, если используются менее чувствительные наушники.
Обратите внимание, что, чтобы избежать проблемы неустойчивости строгий одной точке схема заземления должны быть использованы. Общая точка заземления должна быть как можно ближе к контакту 3, как это возможно.
Спектр показывает шумов и искажений относительно выхода 1Vpk на частоте 1 кГц, что является очень громко сигнал в Sennheisers. Вторая гармоника на-90дБ и 3-го ниже-88 дБ. Это соответствуют так Суммарный коэффициент гармонических искажений фигура 0,006%. Шум показан как ниже -100 дБ уровня, но с гул шип на-84дБ.
Переходный ответ на частоте 1 кГц прямоугольной волны также показано на рисунке. Там нет никаких признаков звона, превышения или любой переходных искажений за что следует из конечной полосы усилителя.
Полоса пропускания имеет 3dB точки на 10 Гц и 50 кГц.
Все рабочие характеристики были измерены с наушниками прилагается:
Объективно использование этого усилителя является безупречным, и это также звучит сладко, как можно было ожидать. Это запускает спокойно, и не будет оглушить вас или взорвать ваши дорогие телефоны с большим зарядки переходного процесса.
Короче говоря, настоятельно рекомендуется, особенно если, как я, вы чувствуете, что цель производительности является хорошей отправной точкой для оценки аудиофилов продукта.
Программное обеспечение анализатора спектра Спектр Лаборатория Вольфганг Buescher (DL4YHF).»
Как всегда самое «сложное» при сборке радиосхемы – это укомплектовать все в корпус. Поэтому, я сначала приобрел корпус в радиомагазине, и после внутренних замеров этого корпуса, сделал разводку печатной платы под нее в программе Sprint-Layout 6.0.
В своем варианте я сделал несколько изменений. Во-первых: на вход добавил сдвоенный переменный резистор, вместо эл.конденсатора С1 поставил пленочный конденсатор марки Wima 2,2 мкф и в блоке питания увеличил емкость эл. конденсаторов до 6800 мкф.
Плату изготавливал по ЛУТ технологии. Об этой технологии много информации в интернете. Я печатаю дорожки на тонкую глянцевую фотобумагу 130гр. Мощность утюга ставлю на третье деления и грею плату с фотобумагой не более 30-40 сек.
После травления платы в хлорном железе и очистки медных дорожек ацетоном от краски картриджа я лужу дорожки в сплаве РОЗе. В подходящую емкость с водой кидаю несколько капель сплава.
Как только они расплавятся ложу плату дорожками в низ и начинаю водить ее по дну емкости. После переворачиваю и губкой стираю все лишние наплывы на дорожках. При таком лужении особо уделяйте вопросу вентиляции.
Пары сплава РОЗе ядовиты!
Мне нравиться, когда выглядит все по заводскому, поэтому ЛУТ сделал и со стороны деталей тоже:
Сборка деталей усилителя на плату:
Установка платы усилителя в корпус:
Лицевую панель я сделал таким образом. В программе Фотошоп нарисовал внешний вид лицевой панели где должны быть установлены переменный резистор, гнезда для входа и выхода и светодиод.
Готовый рисунок распечатал струйным принтером на тонкой глянцевой фотобумаге. На обезжиренную приготовленную панель с отверстиями наклеиваю столярным клеем фотобумагу и ложу панели под так называемый пресс. На сутки.
В качестве пресса у меня блин от штанги на 15 кг.
Распечатанный рисунок на фотобумаге наклеены на лицевую панель:
Через сутки после высыхание клея лицевые панели для того чтобы рисунок на них не стирался со временем я поверхность ламинирую термопленкой. Это делаю обычным утюгом через бумагу:
И вот конечный результат сборки:
Ну а теперь о звуке. Если не принимать во внимание, что это мой первый усилитель и до этого мне не приходилось слушать «крутые» усилители для наушников, то звук меня очень порадовал. Звук чистый, если слушать в хорошем качестве запись звук даже кристальный.
Прослушиваются все инструменты. Басы есть, но они плотные без дребезга. Мне показалось многовато высоких частот. Громкости столько, что можно реально оглохнуть.
Для того чтобы более явно оценить звучание этого усилителя я решил собрать еще один усилитель для наушников на микросхеме ОРА2134
Приложения к статье:
Схема усилителя для наушников в формате .spl7 (32.6 KiB, 3,213 hits)
Печатная плата усилителя для наушников в формате ,lay6 (113.6 KiB, 3,742 hits)
Лицевая панель в формате “Front Designer” (39.6 KiB, 2,645 hits)
Уважаемые друзья и гости сайта!
Усилитель для наушников из подручного хлама! — Сообщество «Сделай Сам» на DRIVE2
Доброго времени суток товарищи!Сегодня речь пойдет об стационарном усилителе для наушников! Наверняка есть те люди которые пользуются полноразмерными наушниками в месте с пк, или медиаплеером или тем же телефоном.
Наверняка есть те люди которым не хватает громкости, и возможно даже они ищут некоторую детализацию или любят инструментальную музыку, а не то месиво которое летит прямо из интегрированного аудио устройства.
И наверняка есть те, кто хочет сделать САМ! и за не дорого, + самоудовлетворение о проделанной работе!Так вот эта статья как раз про НАС!
И так если коротко и понятно, собираем усилитель для наушников из того что есть под рукой, и того что есть за не дорого в магазинах, с заявкой на “качество”!
И так имеем колонкиgenius sp 110 (очень радует 100 watss, благо написано хоть в pmpo, хотя и их там нет), ну да не суть!
Достаем из них усилитель! Который еще по моим меркам хоть как то сделан!
Там даже есть трансформатор! Сделан на TDA 2822, на совершенно простых электролитических и керамических конденсаторах.Подключаем все это дело так как нам дали из коробки, и слушаем! Заявленная громкость 2822 1 вт.
на канал в нагрузку 4 ома, но так как мы подключаем к ней наушники запас остается более чем! И все бы хорошо, скажете Вы! Вот тебе готовый усилитель, но не тут то плавали… Я привык слушать не что иное! (об этом можете найти в блоге) + очень хотелось чего нить да спаять! И по тому поехали! Так как экспериментировал лично Я писать не буду, напишу что точно нужно сделать!
И так №1! Для 2822 у нас разброс напряжений от 2 до 12 вольт! И по тому первым делом поднимаем напряжение до 12 вольт! А так как плата у нас подписана просто припаиваем к ней маму от
12 вольтового блока питания.
№2 Меняем кабель Jack 3.5 мм на собственный кабель от компании proel№3 Меняем емкость конденсатора который отвечает за питание, с 1000 мкф до 2200 мкф, вольтаж в принципе не важен, разве что не меньше сетевого, так что берем 16 вольт. Меняем для того чтобы не было просадок, (да да да с наушниками их не было, но точно хуже не будет) Он самый большой на всей плате.№4 Все мы знаем что керамический конденсатор + звук = зло! И по тому меняем входные конденсаторы на пленочные, и так в усилителе у нас имеются 471 керамический конденсатор 0.47 мкф и рядом с ними электролиты такой же емкости. Те что керамические меняем на К73-17 те что электролиты меняем на К73 16В.№5 меняем все остальные керамические конденсаторы у коих маркировка 104 на неполярные электролиты CapXon 10 мкф 50 вольт.
Должно получиться как то так
№6 Делаем этому всему кузов! На первый взгляд отрезаем верхушку колонки вот так. Концепция нормальная но внешний вид оставляет желать лучшего. Ах да, не забываем про светодиод! Напряжение там 3.5 вольта, взял белый ^_^
Едем дальше. Пилим корпус. Спил сделан на половине отверстия крепления защитных сеток. И далее выдергиваем всю внутрянку из пластика. Так как место я хотел сократить по максимуму! На заднюю часть выводим разъем питания и крепим его там термоклеем! А так же протягиваем там jack 3.5. Сзади выглядит так! Далее крепим термоклеем диод к глазку от штатного диода и склеиваем корпус секундным клеем. Еще заморочился и просверлил маленькие дырочки в корпусе под К73 16в, так как крепил их все на тот же термоклей!
Итог вот так вот выглядит сейчас ну и в темноте Ну и на последок звук, штука это субъективная, играет классно! Слушаю с audiotehnika sj 11, источник Sound Blaster Audigy RX, слушаем мы lossless и даже vinylrip-ы иногда! Ну что сказать, отменный барабан! Очень приятные чистые инструменты, все детально и разборчиво, сравнивать до и после просто нет смысла. Запас по громкости сумасшедший, именно в этой паре. Работой бесспорно доволен! Цена доработки не превысила 200 рублей. Усилитель у меня валялся, даже 2. Аналогов за эту цену даже на сильно бэ у рынке нет. Это факт!Итог каков! Точно делать! Точно есть смысл! Я давненько хотел что то подобное, портативный усилитель для наушников у меня есть, а теперь и стационарный.
Всем спасибо кто осилил! Будут вопросы, обращайтесь! Спасибо за внимание и понимание! Всех благ!
Прецизионный усилитель для наушников
Если вы являетесь счастливым обладателем лампового усилителя, то, скорее всего, при желании послушать любимые композиции единолично, через наушники, вы сталкиваетесь с неудобством, вызванным отсутствием выхода на головные телефоны.
Да и обладателям дорогих или не очень смартфонов и планшетов тоже приходится несладко — эти аппараты чаще всего не в состоянии раскачать качественные высокоомные наушники. Поэтому любимые композиции звучат совсем не так, как на профессиональной аппаратуре.
Конечно, если вы истинный меломан и музыка для вас дороже денег, то вас ни что не остановит от покупки предварительного усилителя за 6000 $, усилителя для наушников за 5000$ и самих наушников за 2000$.
И погрузиться в нирвану… Однако, если ситуация с деньгами не такая радужная, или вы любите всё делать своими руками, то, оказывается, можно собрать высококачественный усилитель для наушников всего за…
30$.
А зачем он вам???
А нужен ли вам прецизионный усилитель? Это зависит от ваших музыкальных пристрастий и привычек. Если вы привыкли слушать музыку «на бегу», то есть с портативных устройств на прогулке, пробежке, в тренажерном зале и других подобных местах, то описываемый ниже проект не для вас. Просто постарайтесь подобрать к своему аппарату максимально подходящие по характеристикам и звучанию наушники.
Точно также следует поступить, если вы любите музыкальные стили, где присутствуют сильные искажения сигнала, типа рока, хеви-металла и подобные.
Тем не менее, если вы предпочитаете слушать музыку в тихой уютной обстановке у себя дома или в офисе, и ваши вкусы тяготеют к живой и натуральной музыке типа классической, джазовой, или чистому вокалу, вот тогда вы сможете по достоинству оценить качество звучания и точность связки прецизионный усилитель плюс высококачественные наушники.
Варианты
Допустим, вы решили, что усилитель для наушников вам необходим. Каков следующий шаг? В Интернете можно найти массу проектов с использованием вездесущего LM386.
Микросхема стала популярной благодаря высокой надёжности, низкой стоимости, возможности работать с однополярным питанием и малому количеством внешних элементов.
Такие усилители обычно хорошо справляются с недорогими наушниками, но все эти достоинства меркнут, если сравнить уровень шумов и искажений LM386 и хорошо спроектированного усилителя на дискретных элементах или на специализированных микросхемах.
Если у вас найдётся около 30$ и не пугает работа с элементами для поверхностного монтажа (SMD-элементы), то представленный здесь проект именно то, что нужно.
Идеи и схема
При проектировании данной схемы брались в расчёт следующие моменты:
- Усилитель должен работать с относительного высокоомным выходом лампового предусилителя или усилителя электрогитары. Другими словами, входное сопротивление должно быть легкоперестраиваимое для источников с разным выходным импедансом.
- малое количество компонентов. Поэтому были выбраны микросхемы вместо транзисторов.
- небольшие усиление и мощность. Требуется раскачать чувствительные динамические наушники, а не акустическую систему.
- усилитель должен справляться с высокоомными наушниками. Автор использует Sennheiser HD 600 (сопротивление 300 Ом).
- получить максимально низкие шумы и искажения.
Принципиальная схема прецизионного усилителя для наушников представлена на рисунке:
Увеличение по клику
При разработке этой конструкции рассматривались микросхемы таких производителей как National Semiconductor, Texas Instruments и другие. Масса полезной информации была найдена на ресурсах Headwize и форумах DiyAudio.
В результате, выбор пал на прецизионный драйвер для наушников от Texas Instruments TPA6120A2 и операционные усилители AD8610 отAnalog Devices для входного буфера.
Схема получилась относительно простой, с двухполярным питанием. Если вы уверены в отсутствии постоянной составляющей на выходе вашего источника сигнала, то разделительные конденсаторы (С24 и С30) могут быть исключены из тракта с помощью перемычек Н1 и Н2.
Блок питания обеспечивает на выходе напряжения ±12В при нагрузке до 1А. Его схема представлена на рисунке:
Увеличение по клику
Часто в аудиофильских конструкциях стоимость блока питания в несколько раз превышает стоимость самой усилительной части.
Здесь получилось немного лучше — стоимость элементов для блока питания составляет примерно 50$ и самые дорогие элементы здесь трансформатор и электролитические конденсаторы.
Можно немного сэкономить, если заменить тороидальные трансформатор на обычный Ш-образный, отказаться от светодиодов и предохранителей на выходе блока.
Была опробована версия с отдельными стабилизаторами для каждого канала TPA6120A2 (микросхема имеет отдельные выводы питания для каждого канала). Разницу ни услышать, ни измерить не удалось, что позволило существенно упростить блок питания.
Так как все, используемые в усилителе микросхемы, имеют низкую чувствительность к шумам и помехам по цепям питания, а также высокий уровень подавления синфазных помех, то применение в блоке питания типовых интегральных стабилизаторов оказалось достаточным для получения высоких характеристик.
Настоятельно рекомендуется избегать в этой конструкции применения импульсных блоков питания, которые генерируют высокие уровни шумов и помех в звуковом диапазоне.
TPA6120A2
Микросхема TPA6120A2 от Texas Instruments представляет собой высококачественный усилитель для наушников высокой верности. В ней используется архитектура усилителя с дифференциальным входом, несимметричным выходом и обратной связью по току. Именно благодаря в большей мере последней получаются низкие искажения и шум, широкая полоса частот, высокое быстродействие.
Микросхема содержит два независимых канала с отдельными выводами питания. Каждый канал имеет характеристики:
- выходная мощность 80 мВт на нагрузке 600 Ом при питании ± 12В при уровне искажений+шум 0,00014%
- динамический диапазон более 120 дБ
- уровень сигнал/шум 120 дБ
- диапазон напряжения питания: ± 5В до ± 15В
- скорость нарастания выходного напряжения 1300В/мкс
- защиту от короткого замыкания и перегрева
Для сравнения уровень искажения+шум у «народной» микросхемы LM386 составляет 0,2%. Хотя, конечно, высокие параметры ещё не гарантируют качественно звучания. Для получения максимального результата надо учесть рекомендации производителя по выбору внешних элементов и топологии печатной платы. Всё это можно найти в технической документации на данную микросхему.
AD8610
Микросхема AD8610 от Analog Devices представляет собой операционный усилитель с полевыми транзисторами на входе, что даёт низкое напряжение смещения и дрейфа, низкий уровень шумов, малые входные токи. По уровню шума и скорости нарастания выходного напряжения эти операционные усилители отлично гармонируют с TPA6120A2.
Однако, не поленитесь и попробуйте их заменить другими ОУ. По расположению выводов AD8610 совместимы с другими аудиофильскими микросхемами. Тем более, что многие меломаны утверждают, будто слышат разницу в звучании ОУ!
Пассивные компоненты
Не все резисторы одинаковые! И если вам позволяет бюджет, используйте в данной конструкции металлоплёночные резисторы, которые несколько дороже, но имеют ниже шумы и выше стабильность. При желании сэкономить металлоплёночные резисторы следует поставить хотя бы во входных цепях (у AD8610), где чувствительность к шумам самая высокая.
Конденсаторы на пути сигнала С23, С24, С29, С30 лучше поставить плёночные. Конденсаторы по цепям питания микросхем производитель рекомендует керамические.
Основное требование к сигнальным разъёмам — надёжный контакт. В своей конструкции автор использовал обычный «джек» для подключения наушников и позолоченные RCA-разъёмы с тефлоновой изоляцией для подключения сигнального кабеля.
На принципиальной схеме показан вариант усилителя для работы от лампового предварительного усилителя, в котором осуществляется регулировка громкости.
Если конструкцию предполагается сделать более гибкой и универсально, то, конечно, на входе желательно предусмотреть свой регулятор громкости.
Для достижения максимального качества и чтобы не ухудшить характеристики усилителя здесь следует применить качественный потенциометр.
Бюджетной версией может быть изделия фирмы Alpha или RadioShack стоимостью около $3. За 40$ можно приобрести уже изделие аудиофильского класса от ALPS. Наилучшим решением будет использование галетного аттенюатора от DACT или GoldPoint. Их стоимость составляет примерно 170$.
Кстати, на eBay можно найти подобные аттенюаторы китайского производства всего за 30$. Номинал потенциометра может быть в пределах 25-50кОм.
Использование шагового аттенюатора кроме удобства регулировки громкости дополнительно гарантирует идентичность регулировки в обоих стереоканалов, что в усилителе для наушников особенно важно.
Конструкция
Все элементы конструкции (кроме силового трансформатора) размещаются на одной печатной плате. Если вы решите использовать внешний блок питания или собрать его по другой схеме, около 70% печатной платы останутся свободными.
Схема расположения элементов представлена на рисунке:
Увеличение по клику
На рисунке представлен чертёж печатной платы со стороны деталей:
Увеличение по клику
На рисунке представлен чертёж нижней стороны печатной платы:
Увеличение по клику
Чертежи печатных плат в народном формате SLayout можно забрать здесь.
Главная особенность монтажа: на корпусе с нижней стороны TPA6120A2 есть контактная площадка примерно 3×4мм. Она должна быть припаяна к площадке на печатной плате под микросхемой, которая служит теплоотводом.
Фотография готовой конструкции:
При первом включении следует вынуть два предохранителя на выходе источника питания и убедиться в его работоспособности. Если выходные напряжения в норме, верните предохранители на место. Сам усилитель в наладке не нуждается.
Разместить плату можно в корпусе подходящих размеров, желательно металлическом для экранирования от внешних помех.
Заключение
Субъективно усилитель звучит на одном уровне с профессиональным студийным оборудованием. При сравнении с LM386 эта конструкция показала более ровное, чистое и детальное звучание.
Схема получилась довольно гибкой и легко настраиваемой под различные нужды. Так, например, сам автор собрал два экземпляра усилителя. Один по приведённой схеме для эксплуатации совместно с ламповым предусилителем.
Второй экземпляр был рассчитан на работу со смартфоном и гитарным усилителем, потому был дополнен на входе фильтром высокочастотных помех и регулятором громкости.
Кроме того, для повышения усиления (смартфон выдавал недостаточный уровень сигнала) были изменены номиналы резисторов R6 и R14 на 2кОм.
Изменяя номиналы этих резисторов, вы можете менять коэффициент усиления в широких пределах.
Вариант печатной платы усилителя от наших «друзей-марсиан», рассчитанный на установку элементов в «стандартных» корпусах (используемых в конструкции микросхем в DIP-корпусах не существует):
- в формате SLayout
- в формате PDF
- в формате DipTrace
- в формате Gerber
Анимированная демонстрация платы во всех ракурсах здесь (gif-файл 14Mb).
Усилители для наушников
Люблю слушать музыку. Без достаточного уровня громкости — это невозможно (динамический диапазон — сами понимаете). Очень приятно слушать через мощный усилитель и большие динамики – но соседей беспокоить не хочется.
Подключил наушники к выходу звуковой карты, Creative X-Fi в моем случае, звук с нее мне очень нравится, но громкости мне оказалось недостаточно. Решение вопроса всем понятно – купить усилитель для наушников или сделать его самому. Сделать самому мне захотелось больше. За принципиальными схемами, конечно, в Интернет.
Схемы и описания различных усилительных устройств, которые я там нашел, приводить не буду, можете все найти сами. Делюсь с вами только тем, что я реально сделал и что нормально работает.
Диапазона усиливаемых частот, при использовании современных, и не очень, микросхем и транзисторов, как правило, совершенно достаточно для усиления звука очень качественно.
Сразу же меня очень подкупил своей простотой усилитель на транзисторах. Схема, поначалу, показалась корявенькой, но решил сделать это устройство.
На принципиальной схеме показан один канал усилителя, плата разведена под стерео усилитель.
Усилители для наушниковУсилители для наушниковУсилители для наушников
Изготовил его с применением транзисторов, которые у меня были в наличии и в большом количестве. Заработало сразу. Результат меня удивил: звучало и усиливало нормально. Поскольку на наушники поступает постоянное напряжение (около 2 в.
) есть проблема фона по питанию. Идеальный вариант питания – батарейки или стабилизированный источник питания 5в.
После того, как удалось избавиться от фона, изменяя емкость фильтра питания 470мкф (в случае питания от зарядки телефона Нокия, конденсатор выпаял совсем), звук мне показался достаточно громким и качественным.
Транзисторы на выходе, как вы заметили, соединены по схеме Дарлингтона, и 2T603, которые я поставил, прилично греются в таком режиме, но держат без радиаторов. Сделал таких усилителей три штуки, меняя компоновку деталей, убирая перемычки и добавляя разъемы. Компоновку последней версии привожу здесь.
Кому не понравится – редактируйте в программе Sprint-Layout 6.0. При подключении к этому усилителю других наушников звук мне в них не понравился и тогда решил изготовить другой усилитель.
В одной из статей Интернета прочитал хороший отзыв о старенькой микросхеме KA2206, на ней и решил сделать усилитель для новых ушей.
Усилители для наушниковУсилители для наушников
На фото готового усилителя виден вариант с добавочным усилителем для динамического микрофона, от схемы усилителя, к микрофонному, идет только питание. О микрофонном -ничего писать не буду – не та тема.
Усилители для наушниковУсилители для наушников
На Ali Express купил 10 шт. микросхем за 100р. Схема из даташита микросхемы. Питание, в моем варианте, 8в. стабилизированных (стабилизатор в блоке питания LM7808 без радиатора, греется градусов до 60).
Усилитель нормально работает, начиная, от 5в по питанию (правда, при питании 5в, похрипывают самые низы на максимальной громкости). Никакого дополнительного охлаждения микросхеме не требуется. При напряжении питания выше 10в микросхема ощутимо греется.
Возможно, понадобится коррекция усиления по каналам (баланс), я изменял сопротивления на входе в одном из каналов 1К и 20К, сумма сопротивлений должна оставаться постоянной – 21-20К. Резисторы, которые обозначены на плате 0,2 – 0,9К (на плате установлены вертикально), использовал 750 ом.
, ими регулируется коэффициент усиления. Можно вместо них впаять перемычки, но тогда уровень усиления и, главное, фона очень высок (может это субъективно). Конденсаторы 0,15мкф. заменил 0,1мкф. Керамика. Звук этого усилителя меня устроил, с новыми наушниками и со старыми.
В планах собрать усилитель с электронной регулировкой громкости. Эти устройства изготавливал по отдельности: регулятор и усилитель собирались по схемам даташитов – работают нормально, а теперь вот объединил и развел платку.
Усилители для наушников
Если в нагрузке наушники, и с указанным питанием, уверен, радиатор усилителю мощности не потребуется, но, на всякий случай, он здесь нарисован (алюминиевая пластина толщиной 1,5мм). Не буду приводить схему принципиальную – все понятно и на рисунке платы.
Коэффициент усиления регулируется резисторами 0,2-1,0К: чем больше сопротивление, тем меньше коэффициент усиления. Можно ставить перемычки вместо этих резисторов – если потребуется максимальное усиление. Применяемые микросхемы не дефицит и по цене очень недороги.
Кнопки без фиксации, интегрированные на плате, те которые были у меня в наличии.
Усилители для наушников на микросхеме печатная плата
Для тех, которые есть у вас, подкорректируйте плату или выведите проводами. Резистор RX подбирается под ваш указатель (если он есть), можно использовать стрелочный индикатор записи от старых магнитофонов.
При максимальной громкости сопротивление подбирается так, чтобы индикатор показывал максимум. Индикатор подключается к точкам Ук. Входной сигнал к точкам IN R и IN L. Выход к точкам OUT R и OUT L. Резисторы номиналом 4,7 Om могут быть мощностью 0,25 вт., больше не нужно.
Если установить радиатор этот усилитель вполне можно использовать с колонками. При питании 12в. переменки этот усилитель выдаст 2 х 6 вт. мощности, конечно мощность трансформатора питания должна быть около 30 вт.
Может, кто-нибудь сделает этот усилитель быстрее меня и поделится впечатлениями.
Скачать плату 1
Скачать плату 2
Скачать плату 3
Похожее по теме видео с YouToBe
Вот и все, уважаемые коллеги. Не судите строго.
Автор Артур Скрипкин.
Если нет желания вникать во всю эту рутину, просто закажите качественный товар с Китая
Усилитель для наушников
Качественный усилитель для наушников в хорошем прозрачном корпусе, питание от 12 до 18В
Время доставки 3-4 недели, цена 430 рублей. Доставка бесплатна
Поддержать мастерскую монеткой можно тут











