Индукционный нагреватель своими руками
Сегодня индукционные теплогенераторы применяются довольно широко. В сравнении с традиционными отопительными котлами, они отличаются более высоким КПД.
Кроме этого, применение индукционного нагревателя воды позволяет снизить расходы на электроэнергию.
Так как заводские модели агрегатов этого типа имеют высокую стоимость, владельцы частных домов часто решают собрать аппарат самостоятельно.
Принцип действия
Идея изготовить самодельный водонагреватель индукционного типа кажется весьма привлекательной. Такой агрегат практически не уступает в эффективности фабричным моделям, но обойдется владельцу дома в значительно меньшую сумму. Чтобы сделать индукционный нагреватель своими руками, потребуется три основных элемента:
- Генератор.
- Нагревательный элемент.
- Индуктор.
Генератор необходим для получения переменного электрического тока высокой частоты из стандартной домашней сети. В роли индуктора используется катушка, изготовленная из медной проволоки.
Задача этого элемента конструкции состоит в генерации магнитного поля.
Для изготовления нагревателя используется предмет из металла, способного поглощать теплоэнергию под воздействием магнитного поля.
Простой индукционный нагреватель своими руками
Если все эти элементы правильно соединены, то получится мощный электронагреватель, способный обеспечить нагрев жидкого теплоносителя для отопления строения. Благодаря генератору, электроток с требуемыми показателями поступает на индуктор. Это приводит к появлению на витках катушки магнитного вихревого поля.
Особенность этого поля заключается в способности изменять направление электромагнитных волн при высоких частотах. Если в него поместить металлический предмет, то он начинает нагреваться. Ввиду отсутствия контакта, при переходе энергии из одного вида в другой потери будут минимальными. Поэтому собранный своими руками котел индукционного типа обладает высоким КПД.
ИНДУКЦИОННЫЙ НАГРЕВАТЕЛЬ СВОИМИ РУКАМИ. РАСКАЛЯЕМ МЕТАЛЛ
Преимущества и недостатки
Разобравшись с принципом работы индукционного нагревателя, можно рассмотреть его положительные и отрицательные стороны. Учитывая высокую популярность теплогенераторов этого типа, можно предположить, что преимуществ у него значительно больше, чем недостатков. Среди наиболее значимых плюсов можно выделить:
- Простота конструкции.
- Высокий показатель КПД.
- Длительный срок эксплуатации.
- Небольшие риски поломки устройства.
- Существенная экономия электроэнергии.
Так как показатель производительности индукционного котла находится в широком диапазоне, то можно без особых проблем подобрать агрегат под конкретную систему обогрева здания. Эти устройства способны быстро нагревать теплоноситель до заданной температуры, что сделало их достойным конкурентом традиционным котлам.
Часть 1. ИНДУКЦИОННЫЙ КОТЕЛ своими руками — это просто. Приспособление для индукционной плитки.
Если во время монтажа индукционного котла не было допущено ошибок, то протечки практически исключены. Этот связано с бесконтактной передачей теплоэнергии нагревателю.
Использование индукционной технологии нагрева воды позволяет довести его практически до газообразного состояния.
Таким образом достигается эффективное движение воды по трубам, и в некоторых ситуациях можно даже обойтись без использования циркуляционных насосных установок.
К сожалению, идеальных устройств сегодня не существует. Вместе с большим количеством преимуществ, индукционные нагреватели имеют и ряд недостатков.
Так как для работы агрегата требуется электроэнергия, то в регионах с частыми перебоями в подаче электричества он не сможет работать с максимальной эффективностью. При перегреве теплоносителя резко возрастает давление в системе и трубы может разорвать.
Чтобы этого избежать, индукционный нагреватель нужно оснастить устройством аварийного отключения.
Индукционный нагреватель своими руками
Рекомендации по изготовлению
В зависимости от потребностей, можно самостоятельно изготовить индукционный нагреватель различной мощности. Это может быть не только котел для отопительной системы, но и устройство, предназначенное для работы от напряжения в 12 В.
Простой нагреватель
Такое устройство состоит из двух основных элементов – генератора и катушки с низким показателем индуктивности. Простой электронагреватель будет работать от питающего напряжения в 12в.
Самовозбуждающийся генератор передает импульсы на индуктор, в котором возникает магнитное поле с частотой около 35 кГц. При помещении в центр катушки металлического предмета, он начнет нагреваться.
В домашних условиях этот аппарат можно использовать для бесконтактной сварки, точечного прогрева материала, а также закалить детали из металла.
Собрать такой индуктор по схеме своими руками довольно легко, так как там указаны все необходимые радиодетали.
Вместо диодов Шоттки можно использовать другие. Основными требованиями к этим деталям является рабочий ток 1 А и достаточное быстродействие. Изготовить своими руками индукционную катушку несложно – достаточно сделать 10 витков с отводом от центра. Чем больше толщина используемой проволоки, тем лучше.
Мощный агрегат
В промышленных агрегатах в роли нагревателя используются железные трубы. Однако в домашних условиях будет довольно сложно получить достаточную мощность для нагрева таких элементов.
Впрочем, особого смысла в этом и нет. Так как индуктор может разогреть любой металл, то самодельный нагреватель можно модифицировать.
Корпусом для агрегата может стать толстостенная пластиковая труба, материал которой способен выдерживать сильный нагрев.
Ее длина может составлять около 1 м, а внутренний диаметр равен 50—80 мм. Для подключения агрегата к отопительному контуру необходимо установить переходники. Монтируются эти устройства в верхней и нижней части корпуса. Нижняя часть пластиковой трубы закрывается решеткой, после чего внутренняя полость корпуса заполняется небольшими частичками железа.
При выборе материала для изготовления наполнителя следует обратить внимание на показатель магнитного сопротивления. Чем он выше, тем активнее будет нагреваться материал. Защитная решетка, установленная в нижней части корпуса, подбирается в зависимости от размера частиц наполнителя. Когда внутренняя полость корпуса будет заполнена, необходимо закрыть его сверху решеткой.
Индукционная катушка наматывается непосредственно на корпус нагревательного элемента. Исходя из практического опыта, для создания эффективного агрегата количество витков должно составлять минимум 90.
Также следует помнить, что между витками не должно быть зазора. Если игнорировать это требование, при работе может наблюдаться шум.
Что касается материала обмотки, то достаточно использовать изолированный проводник сечением от 1 до 1,5 мм2.
Нагревательный элемент необходимо монтировать так, чтобы его нижняя часть была подключена к обратке. В качестве генератора проще всего использовать инвертор от старого сварочного аппарата.
Основным требованием здесь является возможность регулировки силы тока от минимального уровня в 10 А. Остается соединить катушку с инвертором и подать на него питающее напряжение.
Сразу после этого агрегат начнет работать.
Индукционный нагреватель своими руками
Индукционный нагреватель своими руками: описание простейшей схемы самодельного устройства
Электрическая энергия обходится сегодня достаточно дорого, однако работающее на этом ресурсе отопительное оборудование не теряет популярности.
Это объясняется тем, что электроотопление является наиболее удобным способом обогреть жилище.
Особый интерес пользователей вызывают приборы, работающие на принципе электромагнитной индукции.
Главным образом потому, что такое устройство легко можно собрать самостоятельно. В этой статье мы поговорим об особенностях этих агрегатов, изучим их сильные и слабые стороны, а также научимся делать индукционный нагреватель своими руками.
Работа всех электронагревателей, как обычных, так и индукционных, основана на одном и том же принципе: при пропускании электрического тока через некий проводник последний начнет нагреваться.
Количество выделяемого за единицу времени тепла зависит от силы тока и величины сопротивления данного проводника – чем больше эти показатели, тем сильнее будет греться материал.
Весь вопрос в том, каким образом вызвать протекание электротока? Можно подсоединить проводник непосредственно к источнику электрической энергии, что мы и делаем, втыкая в розетку шнур от электрочайника, масляного обогревателя или, к примеру, бойлера.
Но можно применить и другой способ: как оказалось, протекание электротока можно спровоцировать воздействием на проводник переменного (именно переменного!) магнитного поля. Это явление, открытое в 1831-м году М.
Фарадеем, получило название электромагнитной индукции.
Тут есть одна хитрость: магнитное поле может быть и постоянным, но тогда положение находящегося в нем проводника нужно постоянно менять. При этом будет меняться количество проходящих через проводник силовых линий и их направление относительно него. Проще всего проводник в поле вращать, что и делается в современных электрогенераторах.
Принцип электромагнитной индукции
Но можно менять и параметры самого поля. С постоянным магнитом такой фокус, конечно, не пройдет, а вот с электромагнитом – вполне.
Работа электромагнита, кто забыл, основана на обратном эффекте: протекающий через проводник переменный ток генерирует вокруг него магнитное поле, параметры которого (полярность и напряженность) зависят от направления тока и его величины. Для более ощутимого эффекта провод можно уложить в виде катушки.
Таким образом, меняя параметры электротока в электромагните, мы будем менять все параметры наводимого им магнитного поля, вплоть до изменения местоположения полюсов на противоположное.
И тогда это магнитное поле, действительно являющееся переменным, будет наводить электроток в любом токопроводящем материале, расположенном в его пределах. И материал при этом, понятно, будет нагреваться. На этом и основан принцип работы современных индукционных нагревателей.
Индукционный генератор тепла в системе отопления
У применяемых в отопительных контурах индукционных водонагревателей имеются как общие для всех электронагревателей достоинства, так и присущие только им. Начнем с первой группы:
Простой индукционный нагреватель
Перейдем к достоинствам непосредственно «индукционников»:
На всякую бочку меда, как известно, найдется своя ложка дегтя. Здесь без этого тоже не обошлось: мало того, что сама по себе электроэнергия стоит достаточно дорого, так еще и индукционные нагреватели относятся к наиболее дорогому типу электроотопительного оборудования.
Индукционный нагреватель своими руками — схема конструкции
Простота конструкции – одно из достоинств индукционного нагревателя. Внутри круглого экранированного корпуса расположена катушка, на языке физиков именуема индуктором. Она подключается к источнику переменного тока. Внутри катушки расположен отрезок стальной трубы, заканчивающийся двумя патрубками. Последние позволяют присоединить нагреватель к системе отопления.
Таким образом, после подсоединения через трубу будет следовать теплоноситель, при этом она будет нагреваться под воздействием генерируемого катушкой переменного поля. От контакта с трубой, соответственно, будет греться и теплоноситель.
Схема индукционного нагревателя
В некоторых моделях индукционных нагревателей катушка подсоединяется непосредственно к электросети, вследствие чего создаваемое ею магнитное поле меняет полярность с частотой 50 Гц.
Но существует и более производительная схема подключения. Она отличается от только что описанной наличием преобразователя, увеличивающего частоту колебания подаваемого на катушку тока с 50 Гц до нескольких десятков килогерц.
Такой преобразователь называют инвертором. Он состоит из трех модулей:
Несложно заметить, что происходящие внутри нагревателя процессы весьма сходны с работой понижающего трансформатора, только в данном случае вторичная обмотка является короткозамкнутой и располагается внутри первичной.
Другое отличие состоит в том, что в случае с трансформатором нагрев является побочным эффектом, который стараются предотвратить (например, набирают магнитопровод из отдельных изолированных пластин).
Как сделать индукционный нагреватель самому?
Простейший индукционный нагреватель своими руками делается так:
Для удобства обслуживания на входе и выходе из нагревателя можно установить шаровые краны – это даст возможность демонтировать устройство без дренирования отопительного контура.
Чтобы избежать разрыва системы из-за перегрева теплоносителя, с одной стороны к нагревателю через тройник следует подсоединить предохранительный клапан.
При наличии 3-фазной сети нагреватель можно усовершенствовать, установив вместо одной катушки три.
Полезные советы по безопасности
Несколько рекомендаций помогут избежать аварийных ситуаций:
Часто умельцы помещают самодельный индукционный нагреватель в утепленный металлический корпус. В таком случае он должен быть заземлен.
Из-за отсутствия у самодельного «индукционника» полноценного экранирования его следует размещать не ближе 80-ти см от потолка или пола. Расстояние между прибором и стеной должно составлять не менее 30 см.
Помните, что переменное электромагнитное поле существует не только внутри катушки, но и снаружи, поэтому оно может нагревать любые находящиеся рядом металлические предметы. Например, застежки или пуговицы на одежде пользователя.
Видео на тему
Вихревой индукционный нагреватель своими руками: 3 особенности аппарата
Популярность использования в отоплении нагревательных приборов, работающих от электросети, вызвана удобством эксплуатации. Электроприборы безопаснее газовых, экологически чище твердотопливных систем.
Их недостаток заключается в дороговизне потребляемых ресурсов. Проблему решит установка вихревого индукционного нагревателя. Прибор отличается большой производительностью при минимальном потреблении электроэнергии.
Сделать индукционный нагреватель своими руками может каждый, кто «дружит» с паяльником.
Вихревой индукционный нагреватель — это электромагнитное устройство для нагрева теплообменного устройства виде трубы
Принцип работы оборудования ВИН 7, 10, 30, 40
Индуктор – это электромагнитное устройство, которое использует для нагрева токопроводимых материалов вихревые токи, возбуждаемые переменным магнитным полем. Выглядит прибор в виде обмотки из нескольких витков медной обмотки. Индукционный нагрев происходит по следующей схеме.
Генератор наводит в устройстве токи различных частот, в результате чего внутри образуется магнитное поле, внутри которого располагается нагреваемый объект. Магнитное поле наводит в теле вихревые токи, преобразующие электрическую энергию в тепловую.
В результате действия тепловой энергии тело разогревается.
Индукционная печь – одно из первых устройств, в котором описанный вид энергии нашел применение. Принцип работы индукционной печи идентичен индукционному нагреву. Прибор применяется для обработки металлов (пайки, плавки, ковки и т.д.
) Расплавить твердые материалы способна даже самодельная индукционная печь. Последние несколько десятков лет энергия электромагнитного поля используется для обогрева помещений (в системах воздушного и водяного отопления).
Промышленные вихревые теплогенераторы способны обеспечить тепло на объектах объемом до 10,000 куб.м.
Преимущества и недостатки вихревых индукционных нагревателей
- Быстрый разогрев проводящих ток материалов.
- Экологическая безопасность. Устройство используется в замкнутых пространствах, лишенных вентиляционного оборудования.
- Размеры индуктора не имеют обязательных стандартов.
- Простая автоматизация, удобное управление циклами нагрева и охлаждения.
Индукционный генератор в системе отопления
Для автономного отопления в частном доме потребуется трансформатор, состоящий из двух короткозамкнутых обмоток.
Внутри устройства возникают вихревые токи, и электромагнитное поле направляется на вторичную обмотку. Вторичный контур исполняет роль основания и нагревателя циркуляционного вещества.
В качестве обогревающей жидкости используется токопроводящее вещество (масло, вода, антифриз).
Устанавливается вихревой индукционный котел в удобном месте. Аналогично традиционным нагревательным узлам водяного отопления, к индукторному обогревателю подключается два патрубка.
Один служит для подачи воды в котел, другой обеспечивает выход теплоносителя в трубопровод и дальнейшее распределение по батареям. В магистраль вещество поступает естественным путем.
В результате различной плотности холодной и горячей вод образовывается гидростатический напор, который провоцирует круговорот.
Индукционный генератор используется в отоплении как нагреватель воздуха. Сделать вихревой теплогенератор своими руками в домашних условиях сложнее, чем электромагнитный котел. К тому же, инверторный обогреватель воздуха оправдывает себя в случаях необходимости мобильного обогрева больших помещений. Пять преимуществ индукционной генерации тепла в частном доме:
Создать примитивный индуктор своими руками в домашних условиях не сложно. Для этого не требуется большой набор инструментов и оборудования. Схема индукционного нагревателя проста.
Как сделать индукционный нагреватель своими руками по схеме: цена материалов не велика
Для того чтобы изготовить индукционный обогреватель понадобится трансформатор переменного тока (желательно с регулировкой напряжения). Индукционный нагреватель из сварочного инвертора является отличным решением вопроса. Изготовление устройства потребует использования подручных средств, таких как:
- Отрезок толстостенной (45-50 мм) пластиковой трубы
- Проволока из стали, диаметром 6-8 мм
- Металлическая сетка
- Медная проволока (1,5 – 2 мм)
- Соединители нагревателя с магистралью
Один край пластиковой заготовки плотно закупоривается металлической сеткой. Цилиндр наполняют частицами стальной проволоки, которую нарезают заранее отрезками длиной в 4-5 см. Пластиковая труба заполняется проволокой полностью, после чего верх закрывается сеткой. Для заполнения цилиндра подойдет любой металл. Изготовленный элемент будет корпусом индуктора.
Изготовленный прибор с помощью переходников монтируется в отопление таким образом, чтобы теплоноситель проходил внутри катушки. К индуктору подключается сварочное оборудование.
С целью экономии средств можно создать инвертор своими руками. Важно обеспечить надежную герметизацию соединений с трубопроводом и изоляцию клемм прибора. Снаружи индуктор покрывается теплоизоляционным экраном.
Отопление готово к эксплуатации.
Для того чтобы создать теплогенератор своими руками помимо трансформатора понадобится электродвигатель.
Меры безопасности
Соблюдение важных правил и рекомендаций позволит избежать ошибок, связанных с эксплуатацией индукторных приспособлений.
Вихревые индукционные нагреватели сможет собрать каждый, если учтет все нюансы!
Индуктор своими руками
Индукционный нагреватель, или индуктор, — прибор, который создает электромагнитное поле, нагревающее проводник, помещенный в это поле. Говоря простыми словами, это катушка, обрамленная медной проволокой. В основном индукторы используют с целью вырабатывания тепловой энергии за счет электрической без использования теплоэлектронагревателей.
Принцип работы
Переменный ток проходит по обмотке катушки, образуя вокруг не магнитное поле. При введении в центр, внутрь витков, металлического предмета изменяется сила магнитного поля. Из-за этого и нагревается сам предмет, именуемый сердечником. Для того чтобы металл нагревался, катушка обязательно должна питаться переменным током большой частоты, иначе можно получить обычный электромагнит.
Существует два вида индукционных нагревателей:
- индукторы, при изготовлении которых пользуются различными электронными деталями;
- вихревой (ВИН) индуктор, им пользуются для обогрева дома, нагрева воды.
ВИН чаще всего встречается в повседневной жизни, так как его достаточно просто изготовить самостоятельно без особых затрат. Он работает на основе передачи энергии, преобразуемой в тепло, от магнитного поля к объекту, например, воде.
Как сделать в домашних условиях
Схема устройства довольно проста, так что самому можно без проблем сделать индукционный нагреватель.
Индуктор можно выполнить на любой базе, но нельзя забывать о теплоизоляции, без которой коэффициент полезного действия систем довольно сильно упадет.
Также нужно серьезно подойти к изготовлению самого важного элемента – катушки. Медную проволоку лучше наматывать очень аккуратно.
С использованием трансформатора
Базовым элементом данной схемы будет сам трансформатор, на котором уже содержатся первичная и вторичная обмотки. Электромагнитное индукционное поле, сформированное в первичной обмотке, начнет влиять на вторичную обмотку. Так, вторичная обмотка передаст энергию в виде тепла тому объекту, который требуется нагреть.
Инструкция выполнения:
С инвертором
Основной составной частью этой системы станет высокочастотный сварочный инвертор, где уже есть индуктор, нагревательный элемент и генератор переменного тока.
Устройство генерирует высокочастотный ток, который передается на катушку. Она, в свою очередь, и создает магнитное поле, изменяющееся со временем. Его вихревой ток нагревает металлическую часть, которая и передает энергию нужному объекту.
Инструкция создания:
Таким образом, дома можно изготовить индукционный нагреватель без особых затрат и глубоких знаний физики. Главное, не забывать о безопасности.
Простейший индукционный нагреватель своими руками
Недавно возникла необходимость создать небольшой индукционный нагреватель своими руками. Бродя по просторам интернета, нашел несколько схем индукционных нагревателей. Многие схемы не устраивали из-за довольно сложной обвязки, некоторые не работали, но попадались и рабочие варианты.
Несколько дней назад пришел к выводу, что индукционный нагреватель можно сделать из электронного трансформатора с минимальными затратами.
Принцип индукционного нагрева заключается в воздействии на металл токами Фуко. Такой нагреватель активно применяется в самых разных сферах науки и техники. По идее токам Фуко безразличны виды и свойства металлов, поэтому индуктор может подогреть или расплавить абсолютно любой металл.
Электронный трансформатор — импульсный блок питания, на базе которого построен наш нагреватель. Это простой полумостовой инвертор, построенный на двух мощный биполярных транзисторах серии MJE13007, которые жутко перегреваются в ходе работы, поэтому им нужен очень хороший теплоотвод.
Для начала с электронного трансформатора нужно выпаять основной трансформатор. Своего рода индуктор мы изготовим на базе ферритовой чашки.
Для этого берем чашку 2000НМ (размер чашки особо не важен, но желательно побольше). На каркасе мотаем 100 витков проводом 0,5 мм, с кончиков проводов снимаем лаковое покрытие и залужаем.
Затем концы проводов запаиваем на место штатного импульсного трансформатора — все готово!
Получился довольно мощный самодельный индукционный нагреватель (КПД не более 65%), на основе которого, можно собрать даже небольшую индукционную печку.
Если взять кусок металла и приблизить этот металл к центру катушки, то через несколько секунд металл нагреется.
Таким нагревателем можно плавить провода с диаметром 1,5 мм — мне это удалось всего за 20 секунд, но при этом высоковольтные транзисторы ЭТ так нагрелись, что на них можно было яичницу жарить!
В ходе работы, возможно, будет нужда дополнительного охлаждения для теплоотводов, поскольку опыт показал, что теплоотвод попросту не успевает отводить тепло с транзисторов.
Основа работы такого инвертора довольно проста. Сама схема индукционного нагревателя удобна тем, что не требует никакой настройки (в более сложных схемах часто возникает необходимость подгонки схемы в частоту резонанса, точный расчет количества витков и диаметра провода контура, а также подсчет контурного конденсатора, а тут всего этого нет и схема работает сразу).
Напряжение сети (220 Вольт) сначала выпрямляется диодным выпрямителем, затем поступает на схему. Частоту задает динистор (диак) марки DB3.
Сама схема не имеет никаких защит, только ограничивающий резистор на входе питания, который якобы должен работать в качестве сетевого предохранителя, но при малейшей проблеме в первую очередь вылетают транзисторы.
Надежность схемы индукционного нагревателя можно поднять, заменив диоды в выпрямителе более мощными, добавив сетевой фильтр на вход схемы и заменив силовые транзисторы на более мощные, скажем на MJE13009.
Вообще не советую включать такой нагреватель на долгое время, если не имеется активного охлаждения, иначе каждые 5 минут будете вынуждены менять транзисторы.
Loading…
Вихревой индукционный нагреватель своими руками: делаем самодельный агрегат
Умельцы придумали много способов для отопления дома. Один из них — индукционный нагреватель. Как и любой другой, он имеет свои преимущества и недостатки.
Принцип действия
В основе работы лежит закон Джоуля-Ленца, который отражает прямую зависимость тепловой отдачи проводника от напряженности электрического поля. Всем известна взаимосвязь магнетизма и электричества, которые просто не могут существовать одно без другого. Если на катушку подать ток высокой частоты, вокруг нее образуется магнитное поле.
Его поток будет пронизывать токопроводящий сердечник, вставленный в катушку. Возникшая магнитная индукция будет постоянно меняться по направлению и времени, что вызовет появление вихревых токов, движущихся по замкнутому кругу. А это преобразовывает электромагнитную энергию в тепловую. Такова в общих чертах схема индукционного нагревателя.
Индукционные нагреватели блестяще зарекомендовали себя в самых разных областях применения. С их помощью можно проводить поверхностную закалку металлических изделий, сверхчистую, бесконтактную сварку, точечный прогрев и даже плавку токопроводящих материалов. Производственные индукторы оборудованы мощным трансформатором, способным подавать на них большие токи.
Индуктор в быту
Поскольку схема подобного нагревателя не отличается сложностью, а КПД такого устройства очень высок (до 98%), вихревой индукционный нагреватель не мог не заинтересовать народных умельцев.
Очень часто у многих возникает идея об использовании принципа индукции для отопления дома. Ведь индукционный обогреватель способен нагревать воду чуть ли не мгновенно. Поэтому существует целый ряд конструкций, представляющих собой самодельный индукционный нагреватель.
В физике много законов, обойти которые не получится никогда. Энергия не берется из ниоткуда, а потому количество потребляемого электричества не может быть меньше, чем требуется тепловой энергии.
Другими словами, если для прогрева помещения требуется 5 кВт/ч, то не получится сделать это, потребляя всего 2 кВт/ч электроэнергии, какой бы замечательной ни была конструкция нагревателя. Если планируется отапливаться с помощью индуктора, нужно быть готовым к повышению выплат за электричество.
Самым популярным вариантом среди мастеров-умельцев является индукционный нагреватель из сварочного инвертора. Этому есть ряд причин:
Элементы конструкции
Индукционный нагреватель своими руками делается следующим образом:
После включения устройства металлические куски проволоки мгновенно нагреются и начнут отдавать тепло проходящей свозь них воде.
Особо стоит заострить внимание на том, что вода обязательно должна непрерывно циркулировать.
Это является 1 из самых серьезных недостатков подобных нагревателей. В случае частого отсутствия хозяев необходима система автоматического компьютерного контроля за работой нагревателя.
Индукционный нагреватель вполне пригоден для отопления, но при этом имеет свои недостатки. Они вполне исправимы и при грамотной проработке деталей данная конструкция способна конкурировать с другими.
Как сделать индукционный нагреватель своими руками?
Создать индукционный нагреватель своими руками просто. Это устройство, которое способно нагревать металл методом воздействия вихревым током Фуко. К достоинствам можно отнести следующее:
- он герметичный и обеспечивает бесконтактную передачу данных;
- бесшумный;
- небольшая стоимость деталей;
- экологически безопасный;
- очень быстро нагревается;
- на нем не появляется накипь вследствие вибрации индукционных действий;
- долговечный.
Среди недостатков выделяют:
- высокую стоимость потребляемого электричества;
- электромагнитные поля отрицательно влияют на человека;
- есть риск детонации отопительной системы по причине избытка давления.
Обратите внимание на схему нагревателя. Чтобы изготовить нагреватель, потребуется отрезок толстостенной трубы из пластика. Она послужит корпусом данного устройства. Затем нужно подготовить проволоку из стали, диаметр которой не составляет более 7 мм.
Еще, если нужно будет подключить нагреватель к отопительной системе, то рекомендуется запастись переходниками. Также потребуется металлическая сетка. Она будет удерживать проволоку внутри корпуса. Обязательно потребуется проволока из стали для создания катушки индуктивности.
Еще нужно найти высокочастотный инвертор, который имеется почти в любом гараже.
Теперь о самом процессе изготовления. Вначале проводятся предварительные действия для проволоки. Проволоку нужно нарезать отрезками, длина которых 5-6 см.
Затем дно отрезка трубы накрывается сеткой, а внутрь насыпаются отрезки нарезанной проволоки. В верхней части трубу тоже потребуется накрыть сеткой.
Проволоки требуется насыпать такое количество, чтобы до самого верха заполнилась вся труба.
Теперь, как показывает схема, делается катушка. Основа — это пластиковый корпус. На него следует намотать 90 медных витков. Когда элемент будет сделан, потребуется его монтировать в отопительную систему. Потом можно подсоединить катушку к сети через инвертор. Считают, что такой нагреватель является достаточно простым и максимально бюджетным.
Не следует испытывать агрегат, если отсутствует подача жидкости либо антифриза. В ином случае труба расплавится. Перед запуском системы рекомендуется выполнить заземление для инвертора.
Сборка вихревого индукционного нагревателя
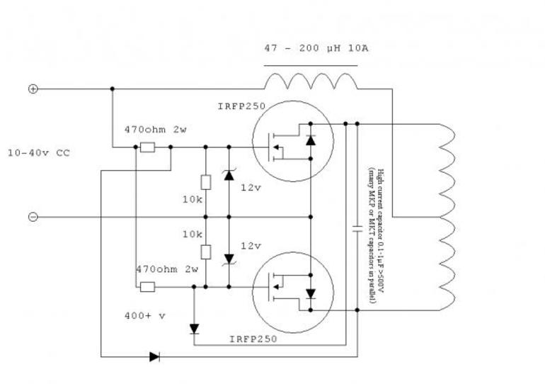
Итак, теперь разберем, как собрать самодельный индукционный нагреватель. Для выполнения сборки агрегата нужен дроссель. Данный элемент можно отыскать, если открыть блок питания компьютера. Затем наматывается провод из ферромагнитной стали, проволока 1,5 мм из меди.
В зависимости от требуемых параметров может быть необходимо 10-30 витков. Потом подбираются полевые транзисторы. Они выбираются исходя из самого большого сопротивления открытого перехода. Диоды подбираются под обратное напряжение не менее 500 В, ток должен быть около 3-4 А. Еще потребуются стабилитроны, которые рассчитаны на 15-18 А.
Их мощность должна составлять около 2-3 Вт. Резисторы — не более 0,5 Вт.
Затем схема собирается, и делается катушка. Это будет основой, на которой будет базироваться нагреватель. Катушка должна иметь 6-7 витков провода 1,5 мм из меди. Потом элемент включается в схему и подключается к сети. Агрегат может осуществлять нагрев болтов до желтого цвета.
Хоть схема и является простой, но в работе системой будет выделяться большое количество тепла, по этой причине желательно сделать установку радиаторов на транзисторы.
Теперь ясно, как собрать агрегат, осуществляющий индукционный нагрев металла.
Ознакомьтесь с видео о том, как самостоятельно сделать индукционный нагреватель (см. видео).
Нормы безопасности
При использовании и сборке своими руками нагревателя нужно соблюдать следующее:
- необходима обязательная установка предохранительного клапана в целях уменьшения давления при выходе из строя насоса;
- нужно заземлить индукционную обмотку: вывести провод на металлический контур, который находится в грунте;
- не нужно включать систему без теплоносителя, иначе полимерные детали расплавятся;
- открытые части из меди нужно изолировать в целях исключения ожогов либо удара током.
Вот теперь вам стало известно о том, как сделать индукционный нагреватель своими руками. Надеемся, инструкция и схема вам очень помогли. Еще очень полезным для выполнения самодельного нагревателя может стать для вас приложенное видео. Желаем успехов в выполнении работ.
Рейтинг статьи- рейтинг материала: 4,00 из 5
Loading…
Индукционный нагреватель своими руками: схема
Индукционный нагрев широко используется в промышленности для закалки и плавки металлов. Его свободно можно применить и для домашних нужд. Для этого можно собрать такой нагреватель своими руками.
Он может быть использован как для плавки металла, так и для нагрева воды или обогрева жилища. На основе такого нагревателя можно сделать плиту или печь для быстрого разогрева пищи.
По сравнению с традиционными нагревателями индукторы потребляют электроэнергию очень экономно.
Индукционный нагрев это процесс бесконтактного отопления. Так как это бесконтактный процесс нагревания, то он не загрязняет материал.
Рассмотрим несколько вариантов изготовления в домашних условиях и практического применения индукционных обогревателей различных типов. Их самодельные конструкции по своим видам делятся на две категории:
- индукторы вихревого типа (в основном для нагрева воды);
- нагреватели с применением электроники для создания в катушке индуктора токов нужного вида.
Первая конструкция, которую мы вам предлагаем сделать своими руками, — это простой индукционный котел, водонагреватель вихревого типа.
Водяной котел с трансформатором
Для начала достаньте или купите недорогой сварочный инвертор (трансформатор) с регулировкой тока на 18-25 ампер. В качестве элементов для нагрева воды в водонагревателе применяют небольшие обрезки катанки или нержавеющей стали.
Проволоку нарезают кусками длиной от 3,8 до 5,5 см (если используется катанка диаметром 6-8 мм). Затем из толстостенной пластиковой трубы диаметром 45-50 мм делают корпус нагревателя.
Один конец этого отрезка трубы закрывают мелкой, ячеистой сеткой и засыпают со свободного открытого конца корпуса нарезанную проволоку.
схема устройства индукционного нагревателя.
Заполнив трубу обрезками доверху, приступают к изготовлению катушки индуктора. Берут эмалированный медный провод не менее 1,5-2 мм и наматывают вокруг сделанного корпуса.
Количество витков колеблется (в зависимости от ампеража сварочного индуктора) и составляет 85-95. Катушку располагают по центру корпуса (трубы с обрезками).
К системе водоснабжения или сети отопления нагреватель подсоединяют с помощью переходников.
Чтобы сделать на основе полученного нагревателя вихревой индукционный котел-водонагреватель, надо сварить из двух труб напоминающую бублик конструкцию. Это нагревательный элемент для воды. Берут любой подходящий по диаметру бак и вставляют в него входной (в верхней части бака) и выходной патрубки для воды.
В этот корпус вставляют сделанную ранее индукционную катушку. Затем присоединяют нагреватель (бублик) к патрубкам так, чтобы он проходил внутри индуктора строго по центру. Изолируют выходные концы катушки и подсоединяют к трансформатору.
Чтобы тепло не покидало водонагреватель, его покрывают теплоизоляционным экраном.
Вода, проходя внутри катушки по трубам, нагревается и из выходного патрубка выходит в горячем виде.
Такой индукционный котел-водонагреватель можно подсоединять и к системе, выполненной из пластиковых труб.
С целью обеспечения безопасности котел устанавливают на расстоянии 80-90 см от пола и потолка и на 30-40 см от стены.
Данный водонагреватель надо оснастить установленным на патрубке клапаном для сброса воздуха из системы. Подобный котел можно применить и как обогреватель небольшого помещения, добавив радиатор отопления.
Индукционные нагреватели своими руками. Самодельный индукционный нагреватель: схема
Прежде чем мы поговорим о том, как собрать самодельный индукционный нагреватель, нужно узнать, что это и по какому принципу работает.
История индукционных нагревателей
В период с 1822 по 1831 год известнейший английский ученый Фарадей провел серию экспериментов, целью которых было добиться преобразования магнетизма в электрическую энергию. Он проводил много времени в своей лаборатории.
Пока в один прекрасный день, в 1831 году, Майкл Фарадей все-таки не добился своего. У ученого наконец вышло получить электрический поток в первичной обмотке из проволоки, которая была намотана на железный сердечник.
Так была открыта
Сила индукции
Это открытие стали применять в промышленности, в трансформаторах, различных моторах и генераторах.Однако по-настоящему это открытие стало популярным и необходимым лишь через 70 лет.
Во времена подъема и развития металлургической промышленности требовались новые, современные методы плавки металлов в условиях металлургических производств.
Кстати, первую плавильню, которая использовала вихревой индукционный нагреватель, запустили в 1927 году. Завод располагался в небольшом английском городке Шеффилде.
И в хвост и в гриву
В 80-х принцип индукции уже стали применять по полной программе. Инженеры сумели создать нагреватели, которые работали на основе того же принципа индукции, что и металлургическая печь для плавки металлов. Такими приборами обогревали цеха заводов. Чуть позже стали выпускать бытовые устройства. А некоторые умельцы не покупали их, а собирали индукционные нагреватели своими руками.
Принцип действия
Если разобрать котел индукционного типа, то там вы найдете сердечник, электрическую и тепловую изоляцию, затем корпус. Отличие этого нагревателя от тех, которые используются в промышленности – это тороидальная обмотка медными проводниками. Она расположена между двух сваренных между собой труб.
Эти трубы изготавливаются из ферромагнитной стали. Стенка такой трубы – более 10 мм. В результате такой конструкции нагреватель имеет гораздо меньший вес, более высокий КПД, а также небольшие размеры. В качестве сердечника здесь работает труба с обмоткой.
А другая служит непосредственно для нагревания теплоносителя.
Ток индукции, который генерируется магнитным полем высокой частоты с внешней обмотки на трубу, нагревает теплоноситель. Этот процесс вызывает вибрацию стенок. Благодаря чему на них не откладывается накипь.
Нагрев происходит за счет того, что в процессе работы нагревается сердечник. Его температура повышается из-за вихревых токов. Последние образуются за счет магнитного поля, которое, в свою очередь, генерируется токами высокого напряжения. Так работает индукционный и многие современные котлы.
Сила индукции своими руками
Нагревательные приборы, которые в качестве энергии используют электричество, максимально удобны и комфортны в использовании. Они намного безопаснее, чем оборудование, работающее на газу. К тому же в этом случае нет ни копоти, ни сажи.
Один из недостатков такого нагревателя – высокий расход электричества. Чтобы как-то экономить, народные умельцы научились собирать индукционные нагреватели своими руками. В итоге получается отличный аппарат, которому для работы нужно гораздо меньше электрической энергии.
Процесс изготовления
Чтобы сделать такое устройство самостоятельно, не нужно обладать серьезными знаниями в электротехнике, и со сборкой конструкции справится любой человек.
Для этого нам понадобится кусок толстостенной пластиковой трубы. Она будет работать как корпус нашего агрегата. Далее нужна стальная проволока диаметром не больше 7 мм. Также, если необходимо подключать нагреватель к отоплению в доме или квартире, желательно приобрести переходники.
Еще нужна сетка из металла, которая должна удерживать стальную проволоку внутри корпуса. Естественно, необходима медная проволока, чтобы создать катушку индуктивности. Также практически у каждого в гараже найдется высокочастотный инвертор. Ну уж в частном секторе такое оборудование можно отыскать без труда.
Удивительно, но из подручных средств можно без особых затрат делать индукционные нагреватели своими руками.
Сначала необходимо провести подготовительные работы для проволоки. Ее нарезаем кусками длиной 5-6 см. Дно части трубы нужно закрыть сеткой, а внутрь насыпать куски порезанной проволоки. Сверху трубу надо также закрыть сеткой. Нужно сыпать столько проволоки, чтобы снизу доверху заполнить трубу.
Далее изготовим катушку. Основой выступит корпус из пластика. На него нужно намотать 90 витков меди.
Когда деталь будет готова, нужно установить ее в систему отопления. Затем можно подключать катушку к электричеству через инвертор. Считается, что индукционный нагреватель из инвертора – это очень простой и максимально бюджетный прибор.
Не стоит проводить испытания аппарата, если нет подачи воды или антифриза. Вы просто расплавите трубу. Прежде чем запускать эту систему, желательно сделать заземление для инвертора.
Современный нагреватель
Это второй вариант. Он предполагает применение продуктов современных электронных приборов. Такой индукционный нагреватель, схема которого представлена ниже, не нужно настраивать.
Данная схема подразумевает принцип последовательного резонанса и может развивать приличную мощность. Если использовать более мощные диоды и конденсаторы большей емкости, то можно повысить показатели агрегата до серьезного уровня.
Собираем вихревой индукционный нагреватель
Для того чтобы собрать данный аппарат, понадобится дроссель. Его можно найти, если вскрыть блок питания обычного компьютера. Далее нужно намотать провод из ферромагнитной стали, медную проволоку 1,5 мм. В зависимости от необходимых параметров может понадобиться от 10 до 30 витков.
Затем нужно подобрать Их выбирают исходя из максимального сопротивления открытого перехода. Что касается диодов, то их нужно брать под обратное напряжение не меньше чем 500 В, при том что ток будет где-то 3-4 А. Также понадобятся стабилитроны, рассчитанные на 15-18 В. А мощность их должна быть порядка 2-3 Вт.
Резисторы – до 0,5 Вт.
Далее нужно собрать схему и изготовить катушку. Это основа, на которой базируется весь индукционный нагреватель ВИН. Катушка будет состоять из 6-7 витков медного провода 1,5 мм. Затем деталь нужно включить в схему и подключить к электричеству.
Устройство способно греть болты до желтого цвета. Схема предельно проста, однако в работе система выделяет много тепла, поэтому лучше установить радиаторы на транзисторы.
Более сложная конструкция
Для того чтобы собрать данный агрегат, нужно уметь работать со сваркой, а также пригодится Конструкция представлена в виде двух труб, которые необходимо вварить друг в друга. Одновременно они будут исполнять роль сердечника и нагревателя. Обмотка наматывается на корпус. Так можно значительно повысить производительность и при этом добиться небольших габаритных размеров и малого веса.
Чтобы выполнить подвод и отвод теплоносителя, необходимо в корпус устройства вварить два патрубка.
Рекомендуется, чтобы максимально исключить возможные потери тепла, а также обезопасить себя от вероятных утечек тока, сделать для котла изоляцию. Она позволит исключить возникновение излишних шумов, особенно во время интенсивной работы.
Основные правила и рекомендации
Подобными системами желательно пользоваться в закрытых отопительных контурах, в которых есть принудительная циркуляция теплоносителя. Разрешается применять такие агрегаты для пластиковых трубопроводов.
Котел нужно устанавливать таким образом, чтобы расстояние между ним и стенами, другими электрическими приборами было не меньше 30 см. От пола и потолка желательно тоже соблюдать дистанцию в 80 см. Также рекомендуют смонтировать за выходным патрубком систему безопасности.
Для этого подойдет манометр, устройство сброса воздуха, а также подрывной клапан.
Вот так легко и без больших затрат можно собирать индукционные нагреватели своими руками. Это оборудование вполне может служить вам долгие годы и греть ваш дом.
Итак, мы выяснили, как делается своими руками индукционный нагреватель. Схема сборки не очень сложная, так что справиться можно за считаные часы.












